1. All valve body are manufactured by precision casting and shot blasting twice for fine appearance without sand hole. There are furnace number on every batch foundry so that customer's order can be tracable.
2. The same diameter valve has heavier weight compared with other manufacturers.
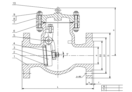
3. Stainless steel solid sphere, good wear resistance.
4. Each valve will be tested according to national standards before leaving the factory.
5. From the raw material to the finished product, every process has strict inpection.
6. Pango brand product quality is covered by China Pacific Insurance with two million dollars. Two years warranty, pay two back if one bad within two years. Any quality problems of the product itself, we will pay without conditions.

Parameter Information:
1. Executive standard:
| Name | Design and manufacture | Face to face Length | Pressure Test | Side flange |
| Reference standard | GB/T 12236 | GB/T 12221 | JB/T 9092 | GB/T 9113.1/ EN1092-1 |
2. Material of Main Parts:
| Name | 1-Body | 2-Seal | 3-Disc |
| Material | WCB | SS304 | SS304 |
3. Dimensions:
| Size | PN16 |
| DN | NPS | L | D | D1 | D2 | z-d |
| 15 | 1/2" | 130 | 95 | 65 | 45 | 4-14 |
| 20 | 3/4" | 150 | 105 | 75 | 55 | 4-14 |
| 25 | 1" | 160 | 115 | 85 | 65 | 4-14 |
| 32 | 1-1/4" | 180 | 135 | 100 | 78 | 4-18 |
| 40 | 1-1/2'' | 200 | 145 | 110 | 85 | 4-18 |
| 50 | 2'' | 230 | 160 | 125 | 100 | 4-18 |
| 65 | 2-1/2'' | 290 | 180 | 145 | 120 | 4-18 |
| 80 | 3'' | 310 | 195 | 160 | 135 | 8-18 |
| 100 | 4'' | 350 | 215 | 180 | 155 | 8-18 |
| 125 | 5'' | 400 | 245 | 210 | 185 | 8-18 |
| 150 | 6'' | 480 | 280 | 240 | 210 | 8-23 |
| 200 | 8'' | 600 | 335 | 295 | 265 | 12-23 |
| 250 | 10'' | 650 | 405 | 355 | 320 | 12-25 |
| 300 | 12'' | 750 | 460 | 410 | 375 | 12-25 |
| 350 | 14'' | 850 | 520 | 470 | 435 | 16-25 |
| 400 | 16'' | 950 | 580 | 525 | 485 | 16-30 |
| 450 | 18'' | 1050 | 640 | 585 | 545 | 20-30 |
| 500 | 20" | 1150 | 705 | 650 | 608 | 20-34 |
| 600 | 24" | 1350 | 840 | 770 | 718 | 20-41 |
| 700 | 28" | 1450 | 910 | 840 | 788 | 24-41 |
| 800 | 32" | 1650 | 1020 | 950 | 898 | 24-41 |
| 900 | 36" | 1850 | 1120 | 1050 | 998 | 28-41 |
| 1000 | 40" | 2050 | 1255 | 1170 | 1110 | 28-48 |
|
|
|
|
|
|
|
| Size | PN25 |
| DN | NPS | L | D | D1 | D2 | z-d |
| 15 | 1/2" | 130 | 95 | 65 | 45 | 4-14 |
| 20 | 3/4" | 150 | 105 | 75 | 55 | 4-14 |
| 25 | 1" | 160 | 115 | 85 | 65 | 4-14 |
| 32 | 1-1/4" | 180 | 135 | 100 | 78 | 4-18 |
| 40 | 1-1/2'' | 200 | 145 | 110 | 85 | 4-18 |
| 50 | 2'' | 230 | 160 | 125 | 100 | 4-18 |
| 65 | 2-1/2'' | 290 | 180 | 145 | 120 | 8-18 |
| 80 | 3'' | 310 | 195 | 160 | 135 | 8-18 |
| 100 | 4'' | 350 | 230 | 190 | 160 | 8-23 |
| 125 | 5'' | 400 | 270 | 220 | 188 | 8-25 |
| 150 | 6'' | 480 | 300 | 250 | 218 | 8-25 |
| 200 | 8'' | 600 | 360 | 310 | 278 | 12-325 |
| 250 | 10'' | 650 | 425 | 370 | 332 | 12-30 |
| 300 | 12'' | 750 | 485 | 430 | 390 | 16-30 |
| 350 | 14'' | 850 | 550 | 490 | 448 | 16-34 |
| 400 | 16'' | 950 | 610 | 550 | 505 | 16-34 |
| 450 | 18'' | 1050 | 660 | 600 | 555 | 20-34 |
| 500 | 20" | 1150 | 730 | 660 | 610 | 20-41 |
| 600 | 24" | 1350 | 840 | 770 | 718 | 20-41 |
| 700 | 28" | 1450 | 955 | 875 | 815 | 24-41 |
| 800 | 32" | 1650 | 1070 | 990 | 930 | 24-48 |
| 900 | 36" | 1850 | 1180 | 1090 | 1025 | 28-54 |
| 1000 | 40" | 2050 | 1305 | 1210 | 1140 | 28-58 |
|
|
|
|
|
|
|
| Size | PN40 |
| DN | NPS | L | D | D1 | D2 | z-d |
| 15 | 1/2" | 130 | 95 | 65 | 45 | 4-14 |
| 20 | 3/4" | 150 | 105 | 75 | 55 | 4-14 |
| 25 | 1" | 160 | 115 | 85 | 65 | 4-14 |
| 32 | 1-1/4" | 180 | 135 | 100 | 78 | 4-18 |
| 40 | 1-1/2'' | 200 | 145 | 110 | 85 | 4-18 |
| 50 | 2'' | 230 | 160 | 125 | 100 | 4-18 |
| 65 | 2-1/2'' | 290 | 180 | 145 | 120 | 8-18 |
| 80 | 3'' | 310 | 195 | 160 | 135 | 8-18 |
| 100 | 4'' | 350 | 230 | 190 | 160 | 8-23 |
| 125 | 5'' | 400 | 270 | 220 | 188 | 8-25 |
| 150 | 6'' | 480 | 300 | 250 | 218 | 8-25 |
| 200 | 8'' | 600 | 375 | 320 | 282 | 12-30 |
| 250 | 10'' | 650 | 445 | 385 | 345 | 12-34 |
| 300 | 12'' | 750 | 510 | 450 | 408 | 16-34 |
| 350 | 14'' | 850 | 570 | 510 | 465 | 16-34 |
| 400 | 16'' | 950 | 655 | 585 | 535 | 16-41 |
| 450 | 18'' | 1050 | 680 | 610 | 560 | 20-41 |
| 500 | 20" | 1150 | 755 | 670 | 612 | 20-48 |
| 600 | 24" | 1350 | 890 | 795 | 730 | 20-54 |
| 700 | 28" | 1450 | 955 | 900 | 835 | 24-54 |
| 800 | 32" | 1650 | 1135 | 1030 | 960 | 24-58 |
|
|
|
|
|
|
|
| Size | PN63 |
| DN | NPS | L | D | D1 | D2 | z-d |
| 15 | 1/2" | 165 | 105 | 75 | 55 | 4-14 |
| 20 | 3/4" | 190 | 125 | 90 | 68 | 4-18 |
| 25 | 1" | 210 | 135 | 100 | 78 | 4-18 |
| 32 | 1-1/4" | 230 | 150 | 110 | 82 | 4-23 |
| 40 | 1-1/2'' | 260 | 165 | 125 | 95 | 4-23 |
| 50 | 2'' | 300 | 175 | 135 | 105 | 4-23 |
| 65 | 2-1/2'' | 340 | 200 | 160 | 130 | 8-23 |
| 80 | 3'' | 380 | 210 | 170 | 140 | 8-23 |
| 100 | 4'' | 430 | 250 | 200 | 168 | 8-25 |
| 125 | 5'' | 500 | 295 | 240 | 202 | 8-30 |
| 150 | 6'' | 550 | 340 | 280 | 240 | 8-34 |
| 200 | 8'' | 650 | 405 | 345 | 300 | 12-34 |
| 250 | 10'' | 775 | 470 | 400 | 352 | 12-41 |
| 300 | 12'' | 900 | 530 | 460 | 412 | 16-41 |
| 350 | 14'' | 1025 | 595 | 525 | 475 | 16-41 |
| 400 | 16'' | 1150 | 670 | 585 | 525 | 16-48 |
| 500 | 20" | 1400 | 800 | 705 | 640 | 20-54 |